Петля накладная с доводчиком 45мм h0 clip-on PRIME by AKS 3D (саморезы, заглушки) (упак. = 2 шт.)
Описание
Петля накладная c доводчиком PRIME by AKS 3D — это сочетание надежности, функциональности и эстетики. Созданы в соответствии с международными стандартами для производителей качественной мебели сегмента «средний+».
Изготовлены из высококачественной холоднокатанной стали, имеют никелевое покрытие и усиленную пружину, что обеспечивает их надёжность и долговечность.
Эти петли идеально подходят для создания стильной и долговечной мебели, отвечающей международным стандартам, а также гарантируют бесперебойную работу механизма на протяжении 100 000 циклов открывания/закрывания, что подтверждается проверкой в собственной испытательной лаборатории.
Особая конструкция механизма доводчика гарантирует бесшумное закрытие фасадов, срабатывая при его открытии на угол от 5°.
Петли PRIME by AKS имеют эксцентриковую регулировку по глубине, систему двухпозиционного отрывания TWO-WAY, а также прочную систему быстрого монтажа и демонтажа ответной планки CLIP-ON.
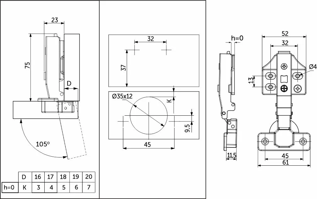
Данная петля подходит для фасадов толщиной до 22мм, имеет межцентровое расстояние между отверстиями в чашке в 45мм, а также высоту монтажной планки h0.
Петля PRIME by AKS имеет двухслойное гальваническое покрытие (с медным подслоем), что обеспечивает надежную защиту от коррозии. Протестирована в солевом тумане более чем 48 часов без каких-либо коррозионных изменений.
Вся линейка петель имеет индивидуальную упаковку по 2 шт.
В комплект входят: петля, монтажная планка, декоративные заглушки чашки и плеча петли, а также саморезы 4*16мм.
Наличие широкого диапазона регулировки по горизонтали, глубине и вертикали в ±2мм, позволит минимизировать все неточности монтажа.
Петля с доводчиком PRIME by AKS может быть установлена со специальным ограничителем угла открывания до 86° (код ). Это поможет избежать столкновений фасада со стеной или с соседними модулями.
Внимание: для корректного выставления необходимых зазоров обратите внимание на таблицы наложений фасада на корпус ящика!
Характеристики
| Гарантийный срок | 24 месяца |
| Срок службы | 60 месяцев |
| Бренд | PRIME by AKS |
| Цвет | Никель |
| Применение | Накладной фасад |
| Назначение | Для линейных ящиков |
| Тип открывания/закрывания | С доводчиком |
| Пружина | С пружиной |
| Монтаж планки | Clip-on (быстрый монтаж) |
| Угол установки, ° | 90 |
| Вид товара | Петли с доводчиком |
| Вид планки | Крестообразная |
| Категория | Мебельные петли |
| Тип петли | Шарнирные петли ЗD |
| Вид материала | Для плитных материалов |
| Угол открывания, ° | 105 |
| Присадка чашки, мм | 45 |
| Высота планки, мм | 0 |
| Крепление | Саморезы |
| Фрезеровка, мм | 35 |
| В комплекте | Петля - 2 шт., заглушка - 4 шт., саморез - 8 шт. |
| Регулировка | Эксцентриковая 3D |
| Присадка, мм | 45 |
| Производитель: | Шунде текстайлс импорт энд экспорт компани оф гуанг но.2, Чуангуе Роад, Ронгуи, Шунде, Фошан, Гуангдонг, Китай |
| Импортер в РБ: | ЧУП "Акс-мебель" 224026, РБ, г. Брест, ул. Вычулки, д.129А |
| Сервисный центр: | ЧУП «Акс-мебель», 224026, РБ, г. Брест, ул. Вычулки, д.129А, a1/мтс 500-8-500 |
| Гарантия: | 10 |
| Штрихкод: | 4814604167092 |
Варианты товара

Петля внутренняя с доводчиком 45мм h0 clip-on PRIME by AKS 3D (саморезы, заглушки) (упак. = 2 шт.)

Петля накладная с доводчиком 48мм h2 clip-on PRIME by AKS 3D (саморезы, заглушки) (упак. = 2 шт.)

Петля накладная с доводчиком 45мм h0 clip-on PRIME by AKS 3D (еврошурупы, заглушки) (упак. = 2 шт.)

Петля полунакладная с доводчиком 45мм h0 clip-on PRIME by AKS 3D (саморезы, заглушки) (упак. = 2 шт.)

Петля внутренняя с доводчиком 48мм h2 clip-on PRIME by AKS 3D (саморезы, заглушки) (упак. = 2 шт.)

Петля накладная с доводчиком 48мм h2 clip-on PRIME by AKS 3D (еврошурупы, заглушки) (упак. = 2 шт.)

Петля полунакладная с доводчиком 48мм h2 clip-on PRIME by AKS 3D (саморезы, заглушки) (упак. = 2 шт.)

Петля полунакладная с доводчиком 45мм h0 clip-on PRIME by AKS 3D (еврошурупы, заглушки) (упак. = 2 шт.)

Петля внутренняя с доводчиком 45мм h0 clip-on PRIME by AKS 3D (еврошурупы, заглушки) (упак. = 2 шт.)

Петля полунакладная с доводчиком 48мм h2 clip-on PRIME by AKS 3D (еврошурупы, заглушки) (упак. = 2 шт.)

Петля внутренняя с доводчиком 48мм h2 clip-on PRIME by AKS 3D (еврошурупы, заглушки) (упак. = 2 шт.)
Похожие товары

Петля д/алюм.рамки Z-1 накладная с доводчиком h2 clip-on AKS (саморезы)

Петля д/алюм.рамки Z-1 полунакладная с доводчиком h2 clip-on AKS (саморезы)

Петля д/алюм.рамки Z-1 внутренняя с доводчиком h2 clip-on AKS (саморезы)

Петля д/алюм.рамки Z-1 накладная без пружины h2 clip-on PRIME by AKS черная (саморезы, заглушки) (упак. = 2 шт.)

Петля накладная с доводчиком 45мм h0 clip-on AKS

Петля накладная с доводчиком 45мм h0 clip-on AKS (еврошурупы)

Петля накладная с доводчиком 48мм h2 несъемная планка AKS короткое плечо

Петля под фальшпанель 90° с доводчиком 45мм h0 clip-on AKS PLUS 3D (саморезы, заглушки)

Ограничитель угла открывания петли до 86° металл AKS

Петля под фальшпанель 90° с доводчиком 45мм h0 clip-on AKS

Петля секретерная металл/металл d35мм хром AKS разборная
